天达动态tianda news
2026/02/24
2026/02/13
2025/12/25
2025/12/10
2025/10/24
2025/08/01
2025/06/16
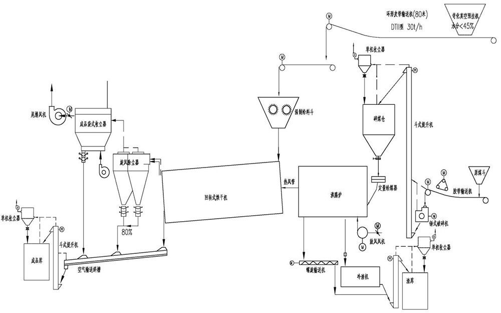
为了适应环保政策,造纸厂苛化白泥(或绿泥)从预挂机出来后,通过胶带输送到白泥烘干系统经过烘干、除尘后入散装粉体库,散装外运出厂到水泥厂或搅拌站等下游用户使用。 热风炉可以采用燃煤沸腾炉或燃气(油)热风炉。
高效回转干燥机,多角度扬料板,防聚团铰链,螺旋刮料导料套筒,防黏壁振打锤和密闭自洁式强制给料机,燃煤(气或生物质三用)热风炉,沸腾炉底滚筒冷渣机。
|
日处理绝干量(t/d) |
300 |
200 |
||
|
|
木浆 |
竹浆 |
木浆 |
竹浆 |
|
白泥含水(%) |
35 |
45 |
35 |
45 |
|
烘干后含水(%) |
5 |
5 |
5 |
5 |
|
蒸发水分(t/h) |
6.07 |
9.57 |
4.05 |
6.38 |
|
烘干产量(t/h) |
13.16 |
13.16 |
8.77 |
8.77 |
|
吨湿泥燃标煤消耗(kg/t) |
53.7 |
71.2 |
53.7 |
71.2 |
|
吨湿泥燃天然气消耗(m3/t) |
44.2 |
58.7 |
44.2 |
58.7 |
